Se rendre au contenu

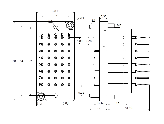
CB-HC-P-040WW

https://www.cotelec.fr/web/image/product.template/276821/image_1920?unique=fd35127
Bloc Hight Current Série CB-HC (4A), Équipé de Pointe de Test (40 Points à Wrapper  Coté Châssis)       

0,00 € 0.0 EUR 0,00 €

198,00 €

Vous désirez acheter ce produit ?

  • Type d'Accessoire (Interface de Test Ict / Fct)
  • Ampérage (Max)
  • Nombre de Points

Cette combinaison n'existe pas.

CB-HC-P-040WW

Spécifications méchaniques

Type d'Accessoire (Interface de Test Ict / Fct) Bloc d'Interconnexion
Ampérage (Max) Entre 3,1 A et 6,0 A
Nombre de Points 40